??
發布時間:2018-03-01 15:02:37 已有11557人看過
現代感應加熱行業需要大功率、高功率密度、連續大批量和環保的感應加熱設備,這對感應設備制造商提出了新的挑戰。各個感應加熱設備制造商在這方面作了大量的研究和實踐,從線圈和電容器的聯接方式看,有串聯逆變和并聯逆變兩種電路。從對兩種逆變電路的分析,可以使用戶正確選用中頻感應電源。
兩種逆變電路的原理分析
一、串聯逆變電路
1、串聯逆變電路原理圖

2、串聯逆變電路的主要參數
⑴逆變器輸出中頻電壓基波分量有效值Ual

⑵逆變器輸出電流有效值Iil
![]()
η:逆變電路的效率
⑶輸出功率P
![]()
⑷逆變晶閘管承受的最大電壓UDRM
![]()
⑸流過逆變晶閘管的正向平均電流Ivk

⑹流過線圈的電流等于流過逆變晶閘管的中頻輸出電流
![]()
⑺線圈電壓等于逆變晶閘管輸出中頻電壓的Q倍
![]()
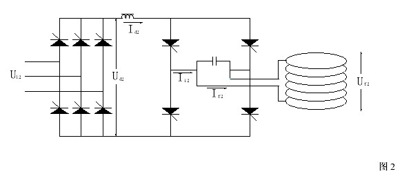
二、并聯逆變電路原理圖
1、并聯逆變電路原理圖

2、并聯逆變電路的主要參數
⑴逆變器輸出中頻電壓基波分量有效值Ua2

⑵逆變器輸出電流有效值Ii2
![]()
⑶輸出功率P
![]()
⑷逆變晶閘管承受的最大電壓UDRM
![]()
⑸流過逆變晶閘管的正向平均電流Ivk
![]()
⑹流過線圈的電流等于流過逆變晶閘管的中頻輸出電流Q倍
![]()
⑺線圈電壓等于逆變晶閘管輸出中頻電壓
![]()
兩種逆變電路的比較
一、逆變電壓
從式(1-1) (2-1)中,看出在同等功率、相同輸入電壓情況下,并聯逆變電路的輸出中頻電壓高于串聯逆變電路的。從式(1-4) (2-4)中,看出并聯逆變晶閘管承受的電壓要高于串聯逆變電路的。但是從(1-7)(2-7)中,看出串連逆變線圈電壓高于并聯逆變。
二、逆變電流
從式(1-2) (2-2)中,看出在同等功率、相同輸入電壓情況下,串聯逆變電路的輸出中頻電流高于并聯逆變電路的。從式(1-5) (2-5)中,看出串聯逆變晶閘管流過的電流要高于并聯逆變電路的。如果串聯逆變晶閘管選用并聯,那么流過每個逆變晶閘管的電流也可以設計成和并聯逆變晶閘管一樣的。但是從(1-6)(2-6)中,看出并連逆變線圈電流高于串聯逆變電流,從而導致并聯逆變線圈銅損大于串連逆變。
從式(1-3) (2-3)中,看出無論是并聯逆變電路還是串聯逆變電路都是通過逆變晶閘管輸出交流電流Ii和電壓Ua到線圈,由于逆變輸出交流電流和電壓不是同相位的,有一個相位角Φ,根據輸出功率和電爐狀況的不同,導致相位角變化,對輸入到電爐線圈上的功率,除了電流和電壓的乘積外,還要乘以一個逆變功率因數COSΦ。
晶閘管只能流過正向電流,在逆變器設計晶閘管的選型時,最主要考慮的是晶閘管流過一定電流時,內部 PN結的結點溫度,考慮在最小導通角情況下,晶閘管流過最大電流時,內部 PN結的結點溫度,仍然不超過安全溫度。無論是并聯逆變電路還是串聯逆變電路都是要遵守這個原則。
有一種觀點說,相同功率的串聯逆變電路輸出電流大于并聯逆變電路,所以串聯逆變電路的晶閘管容易損壞,使用壽命短。
由于逆變電路輸出電流的不同,所以不能使用相同大小的晶閘管;在并聯使用逆變晶閘管時,只要在最小導通角,晶閘管流過最大電流時,內部PN結的結點溫度相同,不超過安全溫度,對每個晶閘管的負荷來說是一樣的,不存在哪種逆變電路的晶閘管容易損壞,使用壽命短的問題。如果設計時提高串聯逆變電路晶閘管的結點溫度,那當然會縮短使用壽命。
隨著大功率晶閘管(SCR)制造技術的不斷發展,直徑 100mm 的晶閘管已經成熟使用在中頻感應電源上,但是單個晶閘管所能承受的電流和電壓都是有限度的,大功率的電源,最大輸出到線圈上的電流有上萬安培,就是并聯逆變電路也需要逆變晶閘管的并聯使用,晶閘管的并聯使用的成敗最主要取決于晶閘管的觸發和均流措施的設計;大功率的晶閘管觸發信號使用供電電源隔離,沒有脈沖變壓器輸出隔離的直接驅動設計,現代的電子控制器件場效應管(MOSFET)具有非常快速的響應時間,充當最后輸出的驅動器件,使得晶閘管的觸發信號具
有足夠的觸發電流和快速的上升速度,完全能夠保證并聯晶閘管的同時開通,從而確保并聯晶閘管的可靠工作。
有的串聯逆變電路生產商在每臺設備出廠前都進行輸出銅排短路試驗,就是設備在運行時,突然短路輸出銅排,設備能夠自動保護停機,沒有零部件損壞,復位后立刻重新投入正常使用,只有通過了這個測試,設備才能出廠。這就是生產商對串聯逆變電路并聯晶閘管技術充分有信心的表現,也是對串聯逆變電路的晶閘管容易損壞,使用壽命短的論點的最好反駁。
三、整流環節處理
中頻感應電源整流環節一般使用三相橋式、六相橋式或者十二相橋式晶閘管整流。三相橋式整流有六個晶閘管,每個晶閘管需要一個觸發脈沖,共需六個觸發脈沖,所以也叫 6脈沖整流。六相橋式整流也叫12脈沖整流。十二相橋式整流也叫24脈沖整流。
1、串聯逆變電路
串聯逆變電路只需要一個固定輸出電壓、可變輸出電流的直流源,不需要改變直流電壓來調整逆變輸出功率,只是在運行時,直流電流輸出不同。所以橋式整流器直流輸出電壓始終是最高電壓;不需要改變整流器晶閘管的觸發導通角;控制起來也簡單可靠。但是不意味著不監視整流器工作狀況,由于仍然采用晶閘管橋式整流器,因此在有故障情況下,可以通過撤銷整流器晶閘管的觸發脈沖,只要 50 赫茲中的一個周期 20 毫秒時間迅速徹底隔離外部輸入與逆變器的聯系。
2、并聯逆變電路
并聯逆變電路需要一個可變輸出電壓、可變輸出電流的直流源,需要改變直流電壓來調整逆變輸出功率,橋式整流器直流輸出不同的直流電壓是通過改變晶閘管的觸發導通角來完成的。橋式整流器的控制是并聯逆變電路的重要部分,必須精確控制整流晶閘管的觸發導通角,許多參數最大值的限制都是通過改變觸發導通角來完成的。在有故障情況下,也是可以通過撤銷整流器晶閘管的觸發脈沖,隔離外部輸入與逆變器的聯系。
四、直流濾波環節
1、串聯逆變電路
在橋式整流器直流輸出端串聯電抗器加并聯電容器的組合濾波,輸出直流電壓和電流平穩;一般電抗器采用無鐵芯的電抗器,有效降低電抗器發出的噪音。同時由于電容濾波的作用,也充分抑制逆變中頻的諧波分量反饋到外部電網。
2、并聯逆變電路
只在橋式整流器直流輸出端串聯電抗器,通常為了在低直流電壓輸出時,也能保持直流電流的連續,必須設計足夠大的電感量,需要帶鐵芯的電抗器。電抗器發出噪音也相應大一些。

五、諧波分量的分析
整流輸出的脈動直流電壓都是周期性的非正弦函效的直流分量加上各次正弦函數。負載上的電壓可以對應各次諧波電壓,產生各次諧波電流,負載上的電流合成。
以三相橋式全控整流電路為例,直流電流連續時,何值,負載直流電壓的傅氏級數表達式為:

根據上述關系,我們可以計算出以n為參變量,各次諧波幅值的標么值
對應整流器晶閘管的延遲觸發角α的關系曲線,見圖5。

可以看出,采用當α=0°時,諧波幅值最小;當α=90°時,諧波幅值最大;諧波幅值隨整流器晶閘管的延遲觸發角α的增大而增大。
1、串聯逆變電路的整流器晶閘管的延遲觸發角α始終為0,所以各次諧波幅值都是最小的值。
2、并聯逆變電路的整流器晶閘管的延遲觸發角α是變化的,如果α=30°時,各次諧波幅值大約就是α=0°時的兩倍;α角度變大時,各次諧波幅值就成倍地變大。
由于晶閘管是一個非線性的電氣元器件,所以由晶閘管組成的中頻感應電源對于外部輸入電源是一個非線性的負載。也就是在一個周期性的正弦電壓輸入時,它的阻抗是變化的,電流不是正弦波形,見圖3。在電流突變時在正弦電壓波形上有短時尖峰。

對于外部三相輸入電流,是一個方形臺階波形,可以用傅氏級數的形式分解成等效的(50Hz或 60Hz)基波分量加上各基波奇數倍次的正弦函數分量。但是考慮到晶閘管的換流、三相電壓微小的不平衡等因數,IEEE綜合理論計算和實際測量值,給出了不同整流配置情況下各次諧波電流幅值和基波電流幅值之間的數量關系。

為了使得大功率中頻感應電源產生的諧波對公共電網的影響符合設備使用地供電局的要求,我們必須在選購設備時,考慮到以下因素來減少諧波的產生量。
1、全波整流,不調整直流輸出電壓。在不增加設備制造費用的情況下,任何時候輕易得到最高的功率因數和最小的諧波發生量。
2、針對低次諧波電流超標,可以適當增加整流脈沖數量。如果某臺6脈沖整流的中頻電源產生的5、7次諧波電流超標,可以采用 12脈沖整流,這樣就可以大大減小5、7次諧波電流值。在某些超大功率中頻電源,可以采用 24脈沖整流,可以大大減小5、7、11、13次諧波電流值。
六、低功率運行時的功率因數
三相整流器的功率因數可以用
表示,忽略整流器晶閘管的換流角的話,用
表示。
a:整流器晶閘管的延遲觸發角
v:整流器晶閘管的換流角
1.串聯逆變電路的整流器不改變直流輸出電壓,只在開啟時慢慢建立直流輸出電壓,和在故障時關斷整流器的工作。整流器晶閘管的延遲觸發角始終為0,所以三相橋式六脈沖整流功率因數一直可以達到0.955,六相橋式十二脈沖整流功率因數可以達到0.988。
2.并聯逆變電路為了維持逆變器正常工作的最小能量,一般控制整流器最小直流輸出電壓在20%的最高直流電壓,所以整個直流輸出電壓在 20%~100%范圍內變化,所以最低功率因數在0.2;整流器晶閘管的延遲觸發角為 0°時,也達到最高功率因數。 但在逆變電源全功率時,在有的爐況下,直流阻抗配合比較小,整流器直流輸出電壓不一定是最大輸出電壓,這時候功率因數也可能只有0.8~0.9,而不是0.955。功率因數的高低和直流輸出電壓值有最直接的關系。
七、對線圈的控制能力
1.串聯逆變電路直接對通過線圈的電流進行實時反饋并加以監控,只要檢測到線圈的電流不正常,就有步驟地封鎖逆變晶閘管的觸發脈沖,最快最大限度最直接地保護設備。敢于每臺設備在出廠前都進行輸出銅排短路試驗,也是串聯逆變電路直接控制線圈電流的極好明證。
2.并聯逆變電路只對逆變輸出電壓進行控制,對通過線圈的電流無法直接控制。只有通過對逆變電壓的控制,來影響和調整線圈運行參數;如果線圈方面有工作不正常,需要影響到逆變輸出電壓,進一步反映到整流電路后,才能采取保護措施。因此這種控制方式是間接的,反映稍慢,對整流器的壓力也比較大。
八、輸出功率的控制
1. 如七介紹,串連電源逆變電路中,負載線圈、調協電容和逆變可控硅都是串連在一個回路,可以直接檢測線圈負載的變化和線圈電流的變化。如果電網電壓在+/-10% 內波動,應達串連電源可以在一個電流環內檢測到相應的電流變化、主控板適時調整電壓大小變化,從而實現電源內部的閉環功率控制,保證輸出功率始終不隨外在因素的變化,從而保證加熱溫度可以穩定在+/-20 度。
2.相應如七介紹,在并聯電源電路中,沒法對負載線圈電流直接檢測和控制,外在電網電壓波動、線圈負載坯料變化、甚至一些設備開停等都會影響輸出功率的變化,從而導致加熱溫度有較大的變化。

國內感應電源制造商早期幾乎全部采用并聯逆變電路,最近幾年已有部分廠家轉向生產串聯逆變電路,以滿足現代感應加熱的需求。
就中國感應市場來說,從國外進口中頻感應電源統計情況來看,大多數是選用串聯逆變電路,廣泛地應用于鍛造、鑄造、焊接和熱處理等行業。
綜上所述,串聯逆變電路在功率因數、諧波、電效率等方面有著無可比擬的優勢,對感應線圈也有最直接的控制,所以尤其是在大功率中頻感應電源應用中串聯逆變電路是一種最佳的選擇。